PLGA tubes are superior to autologous nerve graft for repaired sciatic nerve

The viscoelasticity of natural and artificial biomaterials can be suitable for human physiological function by matching stress relaxation and creep properties. Dr. Chengdong Piao and colleagues from Second Hospital, Jilin University in China prepared sciatic nerve injury models by creating a 10 mm defect in sciatic nerve specimens harvested from fresh corpses, and defects were repaired by anastomosis with nerve autografts and poly(lactic-co-glycolic acid) (PLGA) tubes. They found that stress relaxation and creep testing showed that at 7 200 seconds, the sciatic nerve anastomosed by PLAG tubes exhibited a greater decrease in stress and increase in strain than those anastomosed by nerve autografts, suggesting that PLGA exhibits good viscoelasticity to meet the biomechanical requirements for a biomaterial used to repair sciatic nerve injury. Their study was published in the Neural Regeneration Research (Vol. 8, No. 33, 2013).

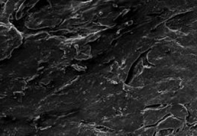
Under scanning electron microscope, in poly(lactic-co- glycolic acid) tube group, nerve fibers were poorly arranged, morphological changes to the nerve fiber surface connective tissue, endoneurium, myelin sheath and axons were observed, and vessels of the basilar membrane were occluded by fragmented axonal and myelin sheath tissue.

(Photo Credit: Neural Regeneration Research)

Source: Neural Regeneration Research