Improvement in polymers for aviation

We live surrounded by polymers and today, rather than come up with new polymers, there is a tendency to modify them in order to obtain new applications. Carbon nanotubes have excellent mechanical properties, are very tough, very rigid, and what is more, they conduct electricity. "The problem with them is that they get dispersed, in other words, it's very difficult to get them to blend with polymers," explained Iñaki Eguiazabal, a member of the Polymer Technology Group. That is why it is essential to come up with methods that will enablethe carbon nanotubes to have a high degree of dispersion and stabilitywithin the polymer matrix. "In this research we have come up with the successful preparation of one of these materials," he added.

The research aimed to improve the mechanical properties of poly(ether imide). Poly(ether imide) is a polymer that has very good mechanical and thermal properties and is used, among other things, to produce the internal parts of aircraft. However, like most polymers it is an insulating material from the electrical perspective. "By adding carbon nanotubes, we are not only able to improve the mechanical properties of the material even further, we can also turn it into a conductor of electricity," explained IñakiEguiazabal. This could enable them to be used in electrostatic painting applications, among other things.

Right from the start, the activity of the Polymer Technology Group, which is part of the UPV/EHU's Department of Polymer Science and Technology and the Institute for Polymer Materials, POLYMAT, has concentrated mainly on the study of polymer blends in order to obtain new materials with optimized features.

Right now, the Group's most recent line of work is focussing on the study of nanocomposite systems consisting of thermoplastic polymers and organically modified laminated clays or carbon nanotubes. New nano-reinforced materials based on technical polymers, and in the case of systems with carbon nanotubes, conductors of electricity, have been developed in this line. Ternary systems based on polymer blends to which nanoparticles have been added have enabled the advantages offered by the blendto be combined with those provided by nanocomposites; this includes the obtaining of super-tough materials with an optimized range of properties.

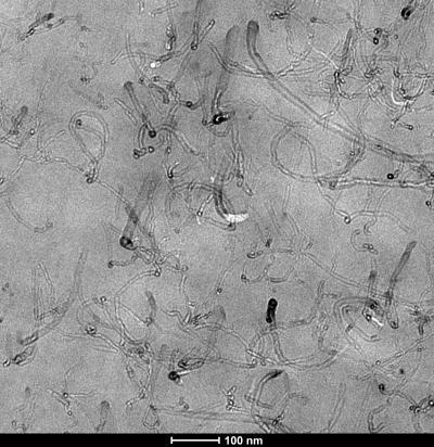
This is an electron transmission micrograph of thenanocompositepoly(ether imide)-poly(butylene terephthalate)/carbon nanotubes with 3 percent of nanotubes.

(Photo Credit: UPV/EHU)

The paper entitled "Widely dispersed PEI-based nanocomposites with multi-wall carbon nanotubes by blending with a masterbatch" has been published recently in the specialised journal Composites, Part A: Applied Science and Manufacturing, one of the most important ones in its category. The authors are PhD-holders Imanol González and IñakiEguiazabal and their paper deals with an application of the above-mentioned synergy between polymer blends and nanocomposites.

Better dispersion and increase in electrical conductivity

For the case of poly(ether imide), they resorted to incorporating a blend based on poly(butylene terephthalate)into the polymer with a high concentration of dispersed nanotubes. In actual fact,"poly(butylene terephthalate)does not have the splendid properties displayed by the polymer we are trying to improve, but both polymers blend very well and that way we can get the dispersion to extend right across the blend," Eguiazabal pointed out.

"Although thermal stability is reduced, electrical conductivity is obtained by adding 1% of carbon nanotubes," he added. On the other hand, "the mechanical properties of the poly(ether imide) improve it even more. "Finally, to all this is added the fact that the viscosity of the nanocomposites is seen to be significantly reduced thanks to the presence of the poly(butylene terephthalate), which constitutes a considerable improvement in the processability of the materials, despite the presence of the nanotubes that tend to increase viscosity. This reduction in viscosity makes it possible to obtain products with sections of very little thickness but with complex geometry.

Source: Elhuyar Fundazioa